

輕觸開關TS-1109B產品簡介
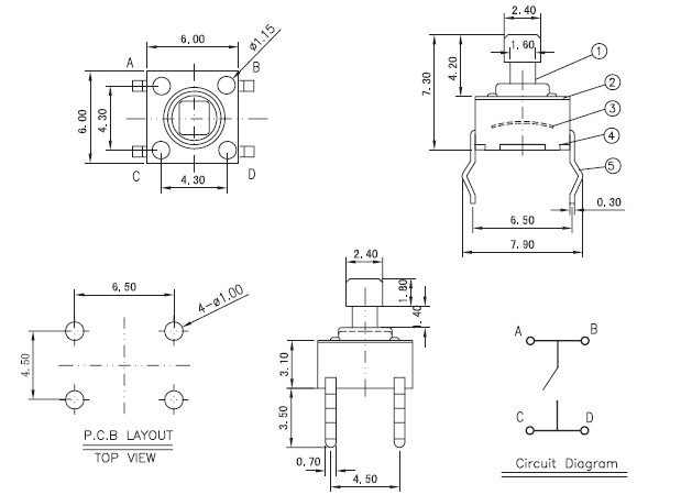
TS-1109B是6*6*7.3輕觸開關,高度是固定的,按鍵頭尺寸是2.4*2.4,輕觸開關TS-1109B按鍵力度有160g/250g四種。屬于環(huán)保輕觸開關
輕觸開關TS-1109B包裝方式:袋裝(1000PCS/包)
注意:輕觸開關TS-1109B柄不耐高溫,只能用手工焊接的方式與波峰焊。
輕觸開關TS-1109B技術參數
使用范圍溫度:-20℃~80℃
額定值:DC 12V 50mA
接觸電阻:≤30mΩ
絕緣電阻:≥100 MΩ
輕觸開關TS-1109B參考圖紙
單位:mm


Copyright © 廣東精密龍電子科技有限公司 版權所有 粵ICP備17035144號 粵公網安備44130202001184號
全國服務電話:0755-83205533 傳真:0755-83761155
公司地址:深圳市龍崗區(qū)龍崗大道8288號深圳大運軟件小鎮(zhèn)45棟2樓

